Файлы для скачивания:
Захват для рулонов стали облегченный ЗРС2
Цена:
Цена по запросу
Описание / Информация:
Захват ЗРС2 применяется в промышленности для подъема и перемещения рулонов стали и аналогичных материалов в горизонтальном положении.
Характеристики:
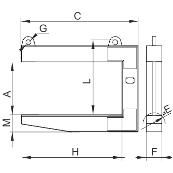
Конструкция захвата представляет собой С-образный крюк. Захват и удержание груза осуществляется за счет несущего элемента — лапы, длинной 1250м (при работе с грузом меньшей длинны обязательно наличие сквозного отверстия), зев захвата составляет 662мм.
В конструкции захвата предусмотрены две проушины, для подвеса захвата рекомендуется использовать строп типа 2СК. Такая конструкция заметно снижает металлоемкость изделия, что является значимым при повышенных требованиях к весу грузозахватного приспособления.
Уточнить техническую информацию
По вопросам наличия, технических характеристик и стоимости обращайтесь:
Подробная таблица:
| Код товара | Обозначение | Г/п, т | A | C | H | L | M | G | Вес, кг | Цена |
| 40396 | ЗРС2-10-1250 | 10,0 | 656 | 1454 | 1250 | 931 | 214 | 62 | 395,71 | договорная |
| 57171 | ЗРС2-20,0-1600 | 20,0 | 950 | 2022 | 1600 | 1443 | 426 | 45 | 863,535 | договорная |