Захват для труб ЗТ-В

Цена: Цена по запросу

Описание / Информация:

Торцевой захват для труб предназначен для подъема и перемещения труб и аналогичных грузов в горизонтальном положении. Рекомендуется к использованию при прокладке и монтаже трубопровода, либо на производстве труб.

Захват снабжен двумя полиуретановыми накладками для защиты стенки и торца трубы от деформации при подъеме. Накладки сменные, при значительном истирании их следует заменить на ремкомплект.

Характеристики:

Захват представляет собой сварную пространственную конструкцию в форме С-образного крюка, в отличии от исполнений ЗТ-А и ЗТ-Б, которые вырезаются из листа соответствующей толщины. Увеличенный зев захвата позволяет использовать его с более широкой номенклатурой труб, а большая площадь опорной площадки обеспечивает лучший контакт с грузом.

Захват имеет две полиуретановые накладки, которые обеспечивают сохранность кромки и торцов разделки трубы под сварку. Накладки съемные, фиксируются пружинными штифтами.

Захват работает в паре на стропе типа 2СК, или с подвесом на траверсе. При строповке трубы необходимо учитывать, что безопасным для работы является угол отклонение от вертикали от 30° до 60°. 

Условия эксплуатации:
от -40° до +60°С

Гарантийный срок: 6 месяцев со дня ввода в эксплуатацию при односменной работе.

Уточнить техническую информацию

По вопросам наличия, технических характеристик и стоимости обращайтесь:

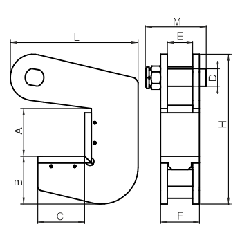
Подробная таблица:

Код товара Обозначение Г/п, т A, мм B, мм C, мм D, мм E, мм F, мм H, мм L, мм M, мм Масса, кг Цена
101126 ЗТ-В-0,75 0,75 40 47 70 16 25 41 154 131 71 2,4 договорная
101112 ЗТ-В-1,5 1,5 40 54 70 16 25 41 164 152 71 3,5 договорная
101013 ЗТ-В-2,0 2,0 50 59 70 26 25 41 218 195 76 5,1 договорная
101191 ЗТ-В-3,0 3,0 50 65 70 26 30 46 194 188 76 5,3 договорная
101550 ЗТ-В-4,0 4,0 70 71 70 26 38 58 224 191 91 8,5 договорная
101652 ЗТ-В-6,0 6,0 70 66 70 28 45 85 234 196 120 14,3 договорная
49659 ЗТ-В-8,0 8,0 70 84 70 34 60 100 274 224 145 22,5 договорная
69442 ЗТ-В-10,0 10,0 70 95 70 38 70 120 324 261 180 34,0 договорная

Похожие товары из данной категории