Захват для кабельных барабанов ЗБГ
Цена:
Цена по запросу
Описание / Информация:
Захват ЗБГ используется для подъема и перемещения кабельных барабанов в горизонтальном положении.
Характеристики:
Сложная форма профиля захвата позволяет ему надежно закрепить поднимаемый груз. Захват ЗБГ работает в паре на стропе типа 2СК, вес груза при подъеме двумя захватами составляет от 2,5 до 6,3т.
Захват удобен в работе, легко монтируется, вес одного захвата наибольшей грузоподъемности всего 7,2 кг. Захват комплектуется скобой G2130 большей грузоподъемности, что позволяет работать в широкой номенклатурой строп.
Уточнить техническую информацию
По вопросам наличия, технических характеристик и стоимости обращайтесь:
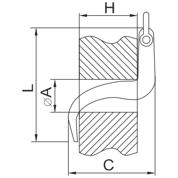
Подробная таблица:
| Код товара | Обозначение | Г/п, т | A | C | H | L | Вес, кг | Цена |
| 40590 | ЗБГ-2,0т | 2,0 | 45 | 200 | 82 | 300 | 2,8 | договорная |
| 40600 | ЗБГ-3,2т | 3,2 | 72 | 200 | 105 | 300 | 4,7 | договорная |
| 40622 | ЗБГ-5,0т | 5,0 | 72 | 200 | 105 | 300 | 7,0 | договорная |